专注工业位置测量产品以及解决方案的供应商

+86 21-39520660

工业级精密型 BSL-MA130-50

测量范围:0 m ... 50m

移动速度:最大 4 m/s

加速度:最大 40 m/s2

滚轮周长:491.5 mm

线性误差:类型 0,1 % / 0,5 %

电气接口:增量式 / TTL / RS-422 / 绝对值编码器可选

  • 技术参数
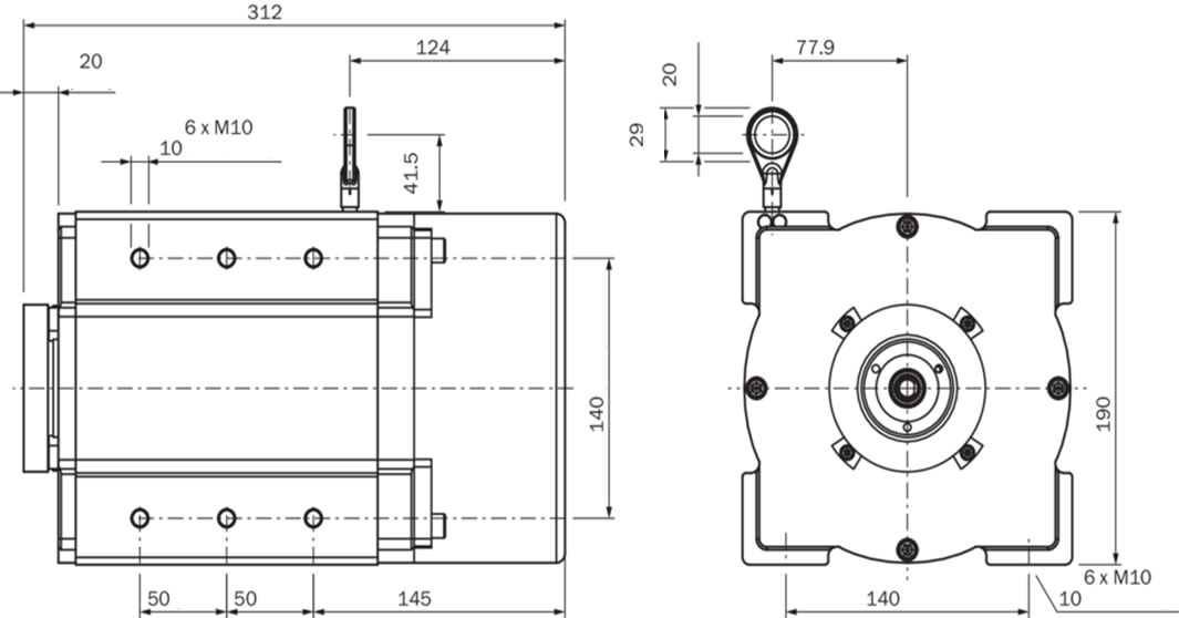
  • 安装尺寸

一般特性

  • 产品类型:拉线盒直线位移测量机构
  • 描述:用于带 6 mm 轴的伺服法兰的拉线编码器,测量范围 0 m ... 50 m
  • 供货范围:不含编码器
  • 测量范围:0 m ... 50 m
  • 线性度:≤ ± 20 mm
  • 滞后:≤ 10 mm
  • 重量:16.5 kg (拉线盒)
  • 拉线绳材料:高灵活性的 316 不锈钢拉绳
  • 拉线盒外壳材料:铝(阳极涂层处理),压铸锌
  • 拉线绳每圈长度:491.5 mm
  • 拉线绳实际长度:50.2 m
  • 弹簧回弹力:18 N ... 37 N 1)
  • 拉线绳直径:1.2 mm
  • 速度:3 m/s
  • 分辨率:如需确定系统分辨率,使用如下公式:
  • 每圈的线缆拉出长度 / 每圈步数 = 拉线 + 编码器组合的分辨率
  • 工作环境温度:–30 °C ... +70 °C
  • 拉线盒外壳防护等级:IP31
  • 拉线盒使用寿命:Typ. 500,000 循环 2) 3)
  • 1) 该值在环境温度为 25 °C 时测得。温度变化时,该值或有偏差。
  • 2) 平均值取决于负载形式。
  • 3) 使用寿命取决于负荷类型。影响因素包括:环境条件、安装情况、所使用的测量范围、移动速度以及加速度。