专注工业位置测量产品以及解决方案的供应商

+86 21-39520660

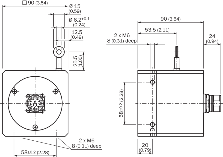
拉线编码器 SL8005

测量范围:0 m ... 5 m

移动速度:最大 3.5m/s

测量步距:≥ 0.05 mm

典型重复精度:3 个测量脉冲宽度

线性误差:≤ ± 0.7 mm

电气接口:增量式 / TTL / RS-422 / 绝对值编码器可

  • 技术参数
  • 安装尺寸

性能

  • 测量范围:0 m ... 5 m
  • 线性度:≤ ± 0.7 mm
  • 测量步距:≥ 0.05 mm
  • 移动速度:3.5 m/s
  • 典型重复精度:3 个测量脉冲宽度

接口

  • 编码器:增量型编码器
  • 电气接口:增量式 / TTL / RS-422
  • 连接类型:M23 插头,12 针, 径向

电气参数

  • 工作电流:60 mA (无负荷)
  • 参考信号:1/765 测量脉冲宽度
  • 最大负载电流:≤ 20 mA
  • 初始化时间:1)
  • 供电电压:4.5 V ... 5.5 V
  • MTTFd:危险故障间隔时间:400 年 (EN ISO 13849) 2)
  • 1) 此后可读取有效位置.
  • 2) 本产品是标准产品,而不是一个按照机械指令制作的安全部件。计算基于组件的额定负荷、40°C 的平均环境温度、8760 小时/年的使用频率。所有电子故障均被视为危险故障。详细信息请参见编号为 8015532 的文档.

机械参数

  • 重量(拉线盒):1.5 kg
  • 拉线绳材料:高灵活性的钢索(PA 12 涂层)
  • 材料、外壳:铝
  • 弹簧回弹力:4 N ... 6 N 1)
  • 拉线盒使用寿命:Typ. 800,000 循环 2) 3)
  • 拉线绳直径:0.6 mm
  • 拉线绳加速度:≤ 20 m/s²
  • 1) 该值在环境温度为 25 °C 时测得。温度变化时,该值或有偏差。
  • 2) 拉线绳拉出和收拢为一个循环.
  • 3) 使用寿命取决于负荷类型。影响因素包括:环境条件、安装情况、所使用的测量范围、移动速度以及加速度.

环境参数

  • 电磁兼容性:根据 EN 61000-6-2 和 EN 61000-6-3
  • 编码器外壳防护等级:IP52, 注意规定安装位置 (根据 IEC 60529 标准)
  • 抗冲击能力:20 g, 6 ms (根据 EN 60068-2-27)
  • 抗振动能力的频率范围:10 g, 10 Hz ... 2,000 Hz (根据 EN 60068-2-6)
  • 工作温度(编码器):–10 °C ... +70 °C
  • 储存温度范围:–20 °C ... +80 °C
  • 相对空气湿度/凝结:90 % (不允许凝结)