专注工业位置测量产品以及解决方案的供应商

+86 21-39520660

电感式传感器 BI40-F3-10

产品类型:电感式传感器

安装方式:埋入式

检测距离(mm):40mm

确保距离(mm):0...32mm

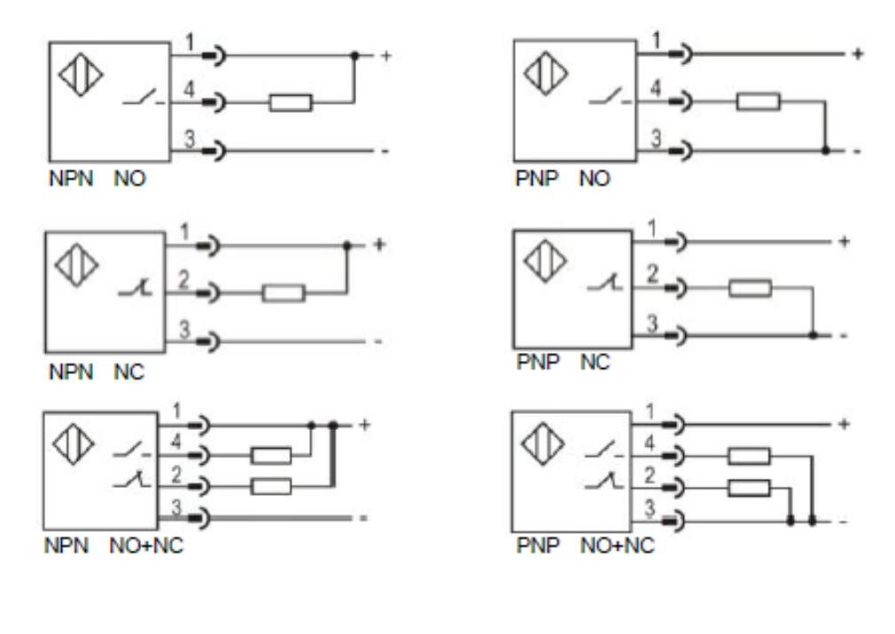
输出方式:NPN;常开

外形规格(方形):80*40*80mm

防护等级:IP67

  • 技术参数
  • 安装尺寸
  • 产品功能:标准功能
  • 安装方式:非埋入式
  • 检测距离:40mm
  • 确保距离:0…32mm
  • 标准标靶:Fe 120*120*1t
  • 输出方式:NPN
  • 输出状态;NO
  • 残留电压:≤2.5V
  • 电源电压:10…30VDC
  • 负荷电流:≤200mA
  • 消耗电流:≤10mA
  • 开关频率:100Hz
  • 开关点偏移:≤±10%
  • 迟滞范围:1…20%
  • 重复误差:≤3%
  • 外形规格(方形):80*40*80mm
  • 环境温度:-25℃…70℃
  • 环境湿度:35-95%RH
  • 回路保护:短路保护、过载保护、逆极性保护
  • 冲击耐压:1000V/AC 50/60Hz 60s
  • 绝缘阻抗:≥50MΩ(500VDC)
  • 复振幅:1.5mm 10…50Hz(X,Y,Z方向各2小时)
  • 防护等级:IP 67
  • 输出指示:黄色LED
  • 外壳材料:PBT
  • 产品认证:CE
  • 连接方式:端子连接
尺寸图

尺寸图

连接图

接线图