专注工业位置测量产品以及解决方案的供应商

+86 21-39520660

电感式传感器 BI0.8-M5-11V3

产品类型:电感式传感器

安装方式:埋入式

检测距离(mm):0.8mm

确保距离(mm):0...0.64mm

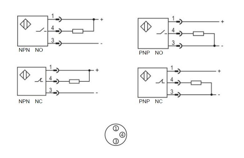
输出方式:NPN;常闭

外形规格(圆柱):M5*0.5*40mm

防护等级:IP67

  • 技术参数
  • 安装尺寸
  • 产品功能:标准功能
  • 安装方式:埋入式
  • 检测距离:0.8mm
  • 确保距离:0…0.64mm
  • 标准标靶:Fe 5*5*1t
  • 输出方式:NPN
  • 输出状态:NO
  • 残留电压:≤2.5V
  • 电源电压:10…30VDC
  • 负荷电流:≤100mA
  • 消耗电流:≤10mA
  • 开关频率:2000Hz
  • 开关点偏移:≤±10%
  • 迟滞范围:1…20%
  • 重复误差:≤3%
  • 外形规格(圆柱):M5*0.5*40mm
  • 环境温度:-25℃…70℃
  • 环境湿度:35-95%RH
  • 保护回路:逆极性保护
  • 绝缘阻抗:≥50MΩ(500VDC)
  • 耐振动:复振幅1.5mm 10…50Hz(X,Y,Z方向各2小时)
  • 防护等级:IP 67
  • 输出指示:红色LED
  • 外壳材料:不锈钢
  • 产品认证:CE
  • 连接方式:M8连接器

尺寸图

连接图