专注工业位置测量产品以及解决方案的供应商

+86 21-39520660

增量型编码器 AH40

行业应用:纺织机械、折弯机械、印刷机械、冶金行业、电梯

产品结构:空行轴

外径(mm):40mm

孔径/轴径(mm):8mm

分辨率(CPR):1-1024 PPR

工作电压:4,75 ... 30 V DC 5 V DC RS 422

输出电路:推挽,增量型 (RS422)

  • 技术参数
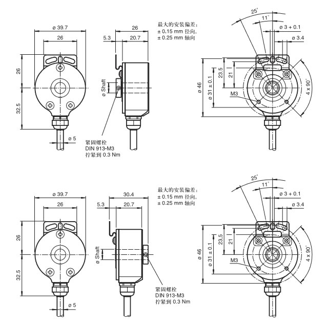
  • 安装尺寸

一般特性

  • 检测类型:光电采样
  • 脉冲数:最大 1024

电气特性

  • 工作电压:4,75 ... 30 V DC 5 V DC RS 422
  • 空载电流:最大 55 mA

输出

  • 输出类型:推挽,增量型 (RS422)
  • 电压降:≤ 2,5 V (< 2.5 V)
  • 工作电流:单通道最大 30 mA , 短路保护 ( 每通道电流不超过20 mA时, 具一定程度短路保护 )
  • 输出频率:最大 100 kHz (最大 100 kHz)
  • 上升时间:980 ns (225 ns)
  • 接通延时:980 ns (225 ns)

连接

  • 电缆:∅5 mm, 8 x 0.08 mm2, 2 m
  • 防护等级:DIN EN 60529, IP54
  • 气候条件:DIN EN 60068-2-3, 无凝露
  • 辐射干扰:EN 61000-6-4:2007/A1:2011
  • 抗干扰:EN 61000-6-2:2005
  • 抗冲击:DIN EN 60068-2-27, 100 g, 6 ms
  • 抗振动:DIN EN 60068-2-6, 10 g, 10 ... 2000 Hz

许可和认证

  • UL认证:cULus 认证,通用,Class 2 电源
  • 最大允许的周围温度:max. 60 °C (max. 140 °F)

周围环境

  • 工作温度:-10 ... 70 °C (14 ... 158 °F)
  • 储存温度:-25 ... 85 °C (-13 ... 185 °F)

机械特性

  • 外壳:铝
  • 法兰:铝
  • 轴:不锈钢
  • 重量:大约 160 g
  • 旋转速度:最大 6000 min -1
  • 瞬时惯量:≤ 5 gcm2
  • 起动转矩:≤ 1 Ncm