专注工业位置测量产品以及解决方案的供应商

+86 21-39520660

增量型编码器 AH58

行业应用:纺织机械、折弯机械、印刷机械、冶金行业、电梯

产品结构:空心轴

外径(mm):58mm

孔径/轴径(mm):8mm

分辨率(CPR):1-5000 PPR

工作电压:10-30V

输出电路:短路保护;推挽输出

  • 技术参数
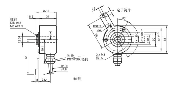
  • 安装尺寸

一般特性

  • 检测类型:光电采样
  • 脉冲数:最大 5000

功能安全性参数

  • 平均失效时间(天):140 a
  • 使用寿命(...月...天):20 a
  • L10h:70 E+9 在 6000 rpm
  • 诊断范围:0 %

电气特性

  • 工作电压:10 ... 30 V DC
  • 空载电流:最大 60 mA

输出

  • 输出类型:推挽
  • 电压降:< 3 V
  • 工作电流:单通道最大 40 mA ,短路保护,反极性保护
  • 输出频率:最大 200 kHz
  • 上升时间:400 ns

连接

  • 电缆:∅7.8 mm, 6 x 2 x 0.14 mm2, 1 m

符合标准

  • 防护等级:DIN EN 60529, IP54
  • 气候条件:DIN EN 60068-2-78 , 无凝露
  • 辐射干扰:EN 61000-6-4:2007/A1:2011
  • 抗干扰:EN 61000-6-2:2005
  • 抗冲击:DIN EN 60068-2-27, 100 g, 3 ms
  • 抗振动:DIN EN 60068-2-6, 10 g, 10 ... 2000 Hz

许可和认证

  • UL认证:cULus 认证,通用,Class 2 电源

周围环境

  • 工作温度:
  • 玻璃码盘:-5 ... 80 °C (23 ... 176 °F) , (移动电缆)-20 ... 80 °C (253 ... 353 K), (固定电缆)
  • 塑料码盘:-5 ... 60 °C (23 ... 140 °F) , (移动电缆)-20 ... 60 °C (253 ... 333 K),(固定电缆)
  • 储存温度:
  • 玻璃码盘:-40 ... 85 °C (-40 ... 185 °F)
  • 塑料码盘:-40 ... 70 °C (-40 ... 158 °F)

机械特性

  • 外壳:铝粉涂层
  • 法兰:铝
  • 轴:不锈钢 1.4305/AISI 303
  • 重量:大约 290 g
  • 旋转速度:最大 6000 min -1
  • 瞬时惯量:≤ 40 gcm2
  • 起动转矩:≤ 1,5 Ncm
  • 角度偏差:1 °
  • 轴向偏差:最大 1 mm
1 : 00 AM

Hour
Minutes
AM PM
1 2 3 4 5 6 7 8 9 10 11 12