专注工业位置测量产品以及解决方案的供应商

+86 21-39520660

BMH58 多圈模拟量编码器

行业应用:纺织机械、折弯机械、印刷机械、冶金行业、电梯

产品结构:空心轴

外径(mm):58mm

输出信号:输出电流4-20mA或0-20mA

最大圈数:25位

工作电压:10-30Vdc 或5Vdc 极性保护

防护等级:IP65;IP68可选

  • 技术参数
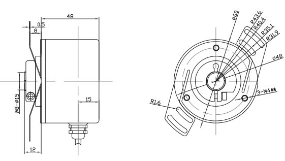
  • 安装尺寸

工作电压:0-30Vdc 或5Vdc 极性保护

消耗电流:< 110mA(24V电源) < 190mA(12V电源)

输出信号:RS485和4-20mA双输出,可设定长度、角度应用输出 (RS485协议请见随货说明书)

输出负载能力:≤ 400欧姆,标准工作200-250欧姆

线性分辨度:1/4096

工作温度:-25—70℃ (-40~85℃可选),编程时温度范围:0℃~+70℃

最大圈数:4096

防护等级:IP65

允许转速:2400转/分

输出刷新周期:< 1.4ms

连接电缆:1米8芯屏蔽电缆,或9芯插座

外形特征:夹紧同步一体式法兰或盲孔轴套法兰,金属外壳,密封双轴承结构(见外形尺寸附图)

转轴:夹紧同步一体式法兰轴径10mm或6mm ,长度20mm,含D型平面,不锈钢材料,盲孔14mm(以内可选)深20mm

信号调整:可4mA输出微调,20mA输出微调;可方向设置;可预设位置,外部置位,例如外部置零

盲孔型

盲孔型