专注工业位置测量产品以及解决方案的供应商

+86 21-39520660

CMV58 CANopen总线多圈绝对值编码器

行业应用:纺织机械、折弯机械、印刷机械、冶金行业、电梯

产品结构:实心轴

外径(mm):58mm

输出信号:CANopen总线,格雷码或二进制

最大圈数:25位

工作电压:10-30Vdc 或5Vdc 极性保护

防护等级:IP68;断电记忆,100%抗磁场干扰性

  • 技术参数
  • 安装尺寸

一般特性

  • 检测类型:光电采样
  • 设备类型:多圈绝对值编码器

功能安全性参数

  • 平均失效时间(天):70 a
  • 使用寿命(...月...天):20 a
  • L10h:1,9 E+11 不大于转速 6000 rpm 不大于 20/40 N 轴向/径向 轴负载
  • 诊断范围:0 %

电气特性

  • 工作电压:10 ... 30 V DC
  • 空载电流:最大 350 mA
  • 上电稳定延时:< 250 ms
  • 线性:16位± 2 LSB, 13位± 1 LSB, 12位± 0.5 LSB
  • 输出码:二进制码
  • 计数方向:顺时针递增(顺势针旋转方向,码值递增)<br>顺时针递减(顺势针旋转方向,码值递减)

接口

  • 接口类型:CANopen
  • 分辨率:
  • 单圈:可达 16 Bit
  • 多圈:14 Bit
  • 总分辨率:可达 30 Bit
  • 传输速率:最大 1 MBit/s
  • 符合标准:通信子协议:DS 301 ,设备描述: DS 406 and DS 417 , 可编程,符合 2 级

连接

  • 接线端子盒:在可拆卸的外壳罩内

机械特性

  • 材料
  • 组合1:外壳:铝粉涂层 法兰:铝 轴:不锈钢
  • 组合2 :(抗氧化型) 外壳:不锈钢 法兰:不锈钢 轴:不锈钢
  • 重量:大约 600 g (组合1) 左右 1200 g (组合2)
  • 旋转速度:最大 12000 min -1
  • 瞬时惯量:30 gcm2
  • 起动转矩:≤ 3 Ncm ( 无轴密封的类型 )
  • 轴负载:轴向40 N 径向110 N

符合标准

  • 防护等级:DIN EN 60529, IP65,IP66、IP67(含轴封)
  • 气候条件:DIN EN 60068-2-30 , 无凝露
  • 辐射干扰:EN 61000-6-4:2007
  • 抗干扰:EN 61000-6-2:2005
  • 抗冲击:DIN EN 60068-2-27, 100 g, 6 ms
  • 抗振动:DIN EN 60068-2-6, 20 g, 10 ... 2000 Hz

许可和认证

  • UL认证:cULus 认证,通用,Class 2 电源

周围环境

  • 工作温度:-40 ... 85 °C (-40 ... 185 °F)
  • 储存温度:-40 ... 85 °C (-40 ... 185 °F)
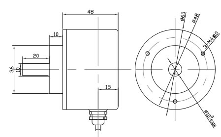
夹紧法兰

夹紧法兰

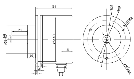
夹紧同步法兰

夹紧同步法兰

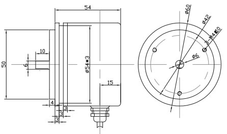
同步(伺服)法兰

同步(伺服)法兰