专注工业位置测量产品以及解决方案的供应商

+86 21-39520660

光纤传感器 UL520-12v5

产品类型:光纤传感器

反应时间:100μs(HIGH SPEED)

光源:红外光二极管LED管体

检测方式:光强度

工作电压:10至30VDC±10%之间

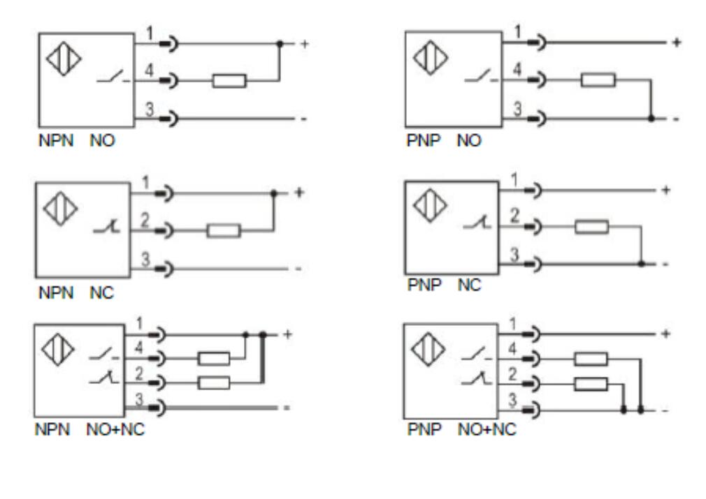
输出信号:PNP;常开

防护等级:IP67

  • 技术参数
  • 安装尺寸
  • 类型:电缆型
  • 输出类型:PNP
  • 电源电压:10~30VDC
  • 光源:红外光二极管LED管体
  • 反应时间:100μs(HIGH SPEED)
  • 检测方式:光强度
  • 动作输出:LIGHT-ON/DARK-ON(开关选择)
  • 尺寸:63*36*10
  • 防护等级:IP67
  • 环境温度:环境温度:-25 ... 70 °C (-13 ... 158 °F)
  • 储存温度:-40 ... 85 °C (-40 ... 185 °F)
  • 外壳:聚碳酸酯;光学端面;PUMA
尺寸图

尺寸图

连接图

接线图